Versione italiana o inglese della scheda 

 
2812T - PRESSORI A MOLLA FILETTATI - Prod. SCU2812T - PRESSORI A MOLLA FILETTATI - Prod. SCU

Salva foto in alta risoluzione

   

 Stampa la scheda
 Invia la scheda

 Apri la pagina del catalogo
 Vai ai prodotti di pag.

Prodotto precedente Prodotto precedente
Prodotto successivo Prodotto successivo

2812T  

Prod. SCU

 

PRESSORI A MOLLA FILETTATI

spring plungers with thread

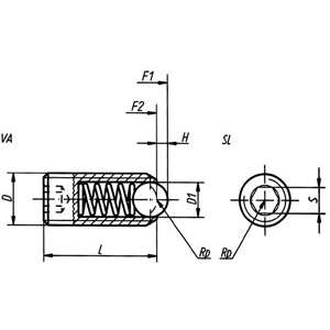
Tipo con sfera, esagono incassato e spinta maggiorata. In acciaio inossidabile. Sfera temprata.

 Aggiungi al carrello  

NoteCod. Art.Cad.Cod. Prod.Filett. Ø D
M.
Forza min F1
N
Forza max F2
N
Ø sfera D1
mm
Lungh. pressore L
mm
Sporgenza sfera H
mm
Misura esag. S
mm
Peso c.ca
grammi
Peso ArtQTAMIN
2812T 5€ 5,68 515223140,92,51,20,0010
2812T 6€ 5,96 619283,5151320,0020
2812T 8€ 9,46 836624,5181,5440,0040
2812T 10€ 12,40 10571046232580,0080
2812T 12€ 16,30 12611108262,56120,0120
2812T 16€ 21,20 166814210333,58310,0310
2812T 20€ 32,40 2011524012434,510640,0640
2812T 24€ 53,30 2413027015485,5121000,10
 

News