Versione italiana o inglese della scheda 

 
1563P - MANDRINI AUTOCENTRANTI - Prod. SCU1563P - MANDRINI AUTOCENTRANTI - Prod. SCU

Salva foto in alta risoluzione

   

 Stampa la scheda
 Invia la scheda

 Apri la pagina del catalogo
 Vai ai prodotti di pag.

Prodotto precedente Prodotto precedente
Prodotto successivo Prodotto successivo

1563P  

Prod. SCU

 

MANDRINI AUTOCENTRANTI

self-centring chucks

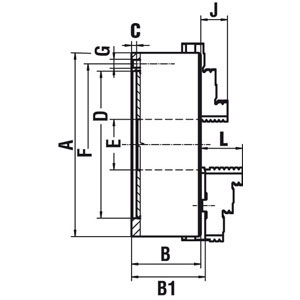
DIN 6350

Guida semplice, corpo in ghisa sferoidale speciale. Tipo di alta precisione a 3 griffe.
Con 2 serie di griffe: 1 per interni, 1 per esterni e chiave.
Parti di scorrimento temprate e rettificate. Ottimo assorbimento delle vibrazioni, corona forgiata, bilanciata e temprata. Costruito in base alle norme DIN 6350.

 Aggiungi al carrello  

NoteCod. Art.Cad.Cod. Prod.Ø
mm
Ø foro
mm
Giri/minuto max
Nr
Forza di serraggio
kN
Peso ArtQTAMIN
1563P 80€ 755,00 80165000101,50
1563P 100€ 859,00 100204500172,80
1563P 125€ 919,00 1253240002450
1563P 160€ 1.080,00 16042360031100
1563P 200€ 1.430,00 2005530003717,50
1563P 250€ 1.950,00 25076250046290
1563P 315€ 2.900,00 315103200055500
 

News